

学院: 电气与信息工程学院
班级: 电气08—02班
学号: 200824050204
姓名: 李志华
地点: 综合实验楼C508
指导老师: 文卫 刘辉
2010/11/13
电子工艺实习——电烙铁的焊接
实习项目一 电子工艺实习
基本理论和技能
u 实习目的:
1) 掌握常用电子元件的识别方法;
2) 掌握基本测量工具的使用;
3) 掌握基本的电子工艺焊接技能。
u 实习元件:
发光二极管、瓷片电容、整流二极管、电解电容、接线柱、印刷电路板、各种不同阻值、型号的电阻、三段稳压器、不同型号的集成块及插座、数码管、复位按键、触发开关等微电子元件。电烙铁及配套底座一套,松香、焊丝若干。
u 实习原理:
对各种型号、类别的微电子元件进行识别,了解电阻元件上各种线条颜色的表示含义,掌握阻值的计算方法。
电路板各种元件焊接方法(五步焊接法):
步骤1:准备焊接将烙铁头和焊接物靠近焊接物;
步骤2:焊接物加热将烙铁头接触焊接物;
步骤3:焊接溶解将焊丝接近焊接物使之溶解;
步骤4:焊丝离开见到焊锡中之助焊物流出时,将焊丝拿
开;
步骤5:烙铁离开将烙铁头斜向上加速离开。
u 实习过程:
1、 熟识各种微电子元件的构造、性能及使用方法;
2、 学习电阻色码识别表:红、橙、黄、绿、蓝、紫、灰、白、黑,依次表示0-9十个数字;电阻元件上有五个色环,按照一定的原则,从左至右前三个为对应的三个数字,组成一个三位数,第四个色环表示“*
”中的X,最后一个色环为误差代码。
3、 学习电烙铁的使用焊接:打磨电烙铁尖端,削去氧化物的包裹,保证电烙铁正常工作时的良好导热;包锡,将打磨后的电烙铁接通电源,同时放入松香和焊丝所在底座内进行预热包锡,使得电烙铁尖端工作区包裹一层防止氧化的锡层;采用五步法对部分微电子元件进行焊接练习。
4、 实习结束,整理收拾实验台,离开实习教室。
u 实习注意事项:
1) 电阻阻值的识别中对于电阻识别的方向应该根据经验和一定的原则认真的进行判断;
2) 电烙铁使用过程中需注意:对于尖端有氧化物的电烙铁先进行包锡准备再进行焊接练习;焊接过程中,先要撤走焊丝,然后再撤走电烙铁以保证焊接点为小半球形;
实习项目二 直流稳压电源电路安装
u 实习目的:
1) 了解直流稳压电源电路的工作原理;
2) 熟悉电路中主要电器元件三端稳压器的作用及结构;
3) 掌握电子电路焊接工艺中的基本技能。
u 实习元件:
u 实习原理:
图一、直流稳压电源电路
1) 直流稳压电源电路由变压—整流—滤波—稳压输出四部分组成。
2) 三端稳压器7805是由输入端、输出端和公共端组成的集成块。其中78为产品系列代号,05为输出电压值。
3) 如图一所示:J1处是交流输入,其值大约为9V,其后由四个整流二极管(4007)组成的单相桥式全波整流电路进行整流,再经电容滤波,最后由三端稳压器7805输出+5V直流电压,其中电阻(R3)为限流电阻;发光二极管(D5)为电源指示灯。
u 实习过程:
1、了解实验原理图,明确各个元件的基本功能与连接方法;
2、按照先安装电阻、瓷介电容等贴板安装元件,后安装电容、三段稳压器、电源插座、发光二极管等较高较大的元件的原则进行焊接安装;
3、焊接完成以后,剪去电路板后面多余元件引线,检查相关焊接点,确保没有虚焊的出现;
4、检查各个焊点,观察其形状,对于不符合规定形状的进行修整或者重新焊接;
5、完成焊接,接入电源进行检测,正常工作后,收拾实验台,离开实验教室。
u 实习注意事项:
1) 主要熟悉555集成块的特性及应用。
2) 强调电路板上集成块圆弧的安装位置与插座的圆弧及集成块的圆弧一一对 应;如集成块没有圆弧,则以集成块上的小黑点为准。
3) 焊接时应保证接触点良好,整个电路焊接完成后才能插入集成块进行测试。
4) 注意电解电容及发光二极管的极性,连接触发器模块电路中的一条中断线。
实习项目三 比较器电路安装
u 实习目的:
1) 了解比较器电路的工作原理;
2) 熟悉电路中主要电子元器件LM393及电位器的作用和特性;
3) 进一步提高焊接技术。
u 实习元件
u 实习原理:
图二、 比较器电路图
1) 此电路采用了双路比较器LM393,一路用比较器产生一个方波输出,J9为输出端,可以通过示波器来观察,其探头分别接“OUT”端和“GND”端。
2) 另一路比较器为电压比较,电位器RT2为参考电压调节端,可以通过调节其阻值改变其电压值,电位器RT1为比较电压调节端。实验中我们可以先使参考电压不变,然后调节RT1,改变输入电压值,两路电压通过比较器比较,其输出结果可以通过发光二极管D23的亮度显示出来。
u 实习过程:
1、了解实验原理图,明确各个元件的基本功能与连接方法;了解电位器的工作原理;
2、按照先安装电阻、集成块插座、电位器、瓷介电容等需贴板安装元件,后安装发光二极管等较高较大的元件的原则进行焊接安装;
3、焊接完成以后,剪去电路板后面多余元件引线,检查相关焊接点,确保没有虚焊的出现;
4、检查各个焊点,观察其形状,对于不符合规定形状的进行修整或者重新焊接;
5、完成焊接,接入电源进行检测,调整变换电位器,观察发光二极管的变化,同时检查以前所做项目是否仍旧正常工作,收拾实验台,离开实验教室。
u 实习注意事项:
1) 注意集成块LM393及两只电位器的插入位置。
2) 连接中断线及示波器探头的接线端J9、J10。
3) 注意电阻阻值的识别,发光二极管的极性应正确。
实习项目四 触发器电路安装
u 实习目的:
1) 了解触发器电路的工作原理;
2) 熟悉集成块74ALS74的作用和特性;
3) 进一步提高焊接技术。
u 实习元件
u 实习原理:
图三、触发器电路图
1) 电路采用了双D触发器集成块(74ALS74),所以有两路触发信号的输出。
2) 第一路:按触发键S2给出一个信号上升沿,电路中设计的J5、J4分别是D触发器的清零和预置信号输入端,高电平有效,J3接D触发器D输入端。实验中将J5、J4的短接卡短接为高电平(即短接靠近1处的两短路子),使D触发器D端输入信号有效, 然后按S2给D触发器一个信号上升沿,将J3的数据锁存,其输出结果有Q和Q非两种,分别通过发光二极管D9和D20显示出来。
3) 同样第二路由S4为触发键,J8和J7分别是D触发器的清零和预置信号输入端。
u 实习过程:
1、了解实验原理图,明确各个元件的基本功能与连接方法;了解集成块的工作特性;将短路子分为六个每一个三根。
2、按照先安装电阻、集成块插座、触发开关、短路子等需贴板安装元件,后安装发光二极管等较高较大的元件的原则进行焊接安装;
3、焊接完成以后,剪去电路板后面多余元件引线,检查相关焊接点,确保没有虚焊的出现;
4、检查各个焊点,观察其形状,对于不符合规定形状的进行修整或者重新焊接;
5、完成焊接,接入电源进行检测,调整变换短路卡的位置,直至四个发光二极管能够按照顺序进行正常的切换后,收拾实验台,离开实验教室。
u 实习注意事项:
1) 注意触发按键、集成块的插入位置、电阻阻值的识别及发光二极管的极性和中断线的连接。
2) 电路完成后,将J3、J4、J5、J6、J7、J8全部置为高电平。然后短接J3给出低电平和高电平,再按下S2,观察发光二极管D9和D20的显示效果。
3) 短接J6给出低电平和高电平,再按下S4,观察发光二极管D21和D22的显示效果。
实习项目五 时钟电路安装
u 实习目的:
1) 了解时钟电路的工作原理;
2) 熟悉电路中主要元器件555集成块的作用及特性;
3) 进一步掌握电子电路焊接工艺中的基本技能。
u 实习元件:
u 实习原理:
图四、时钟电路图
1) 555集成块是一种多用途的数字-模拟混合集成电路,内部由两个比较 器、基本RS触发器和集电极开路的放电三极管构成,因其内部含有三个5KΩ电阻而得名。
2) 如图二所示,整个电路是由555集成块在外部与阻容元件构成的时钟电 路,最后由555集成块第三脚输出一方波信号。
3) 通电后由发光二极管D6和D7指示其输出信号的状态。
u 实习过程:
1、了解实验原理图,明确各个元件的基本功能与连接方法;了解NE555集成块的工作特性;
2、按照先安装电阻、瓷介电容、集成块插座等需贴板安装元件,后安装发光二极管、电解电容等较高较大的元件的原则进行焊接安装;
3、焊接完成以后,剪去电路板后面多余元件引线,检查相关焊接点,确保没有虚焊的出现;
4、检查各个焊点,观察其形状,对于不符合规定形状的进行修整或者重新焊接;
5、完成焊接,接入电源进行检测,调整电解电容的放置方向,使之倒向右侧贴板,观察发光二极管,正常工作后,收拾实验台,离开实验教室。
u 实习注意事项:
1) 主要熟悉555集成块的特性及应用。
2) 强调电路板上集成块圆弧的安装位置与插座的圆弧及集成块的圆弧一一对应;如集成块没有圆弧,则以集成块上的小黑点为准。
3) 焊接时应保证接触点良好,整个电路焊接完成后才能插入集 成块进行测试。
4) 注意电解电容及发光二极管的极性,连接触发器模块电路中的一条中断线。
实习项目六 跑马灯电路安装
u 实习目的:
1) 了解跑马灯电路的工作原理。
2) 熟悉电路中主要电子元器件集成块4017、74HC240的作用和特性。
3) 掌握利用三极管开关特性构成反相器的原理。
4) 进一步掌握焊接工艺的基本技能。
u 实习元件
u 实习原理
图五、跑马灯电路图
1) 由555时钟电路产生的方波信号,输入到10位计数——分频器(CD4017),分频计数产生输出信号经过74HC240驱动后输出到发光二极管D10~D19上,D10~D19循环依次点亮。
2) 由于74HC240只能对8位二进制数进行反相,所以电路中加入了两个三极管非门。
3) 三极管非门应保证当输入低电平时三极管可靠地截至,则输出为高电平;当输入高电平时三极管工作在深度饱和状态,则输出为低电平。
u 实习过程:
1、了解实验原理图,明确各个元件的基本功能与连接方法;了解不同集成块的不同工作特性。
2、按照先安装电阻、集成块插座等需贴板安装元件,后安装发光二极管、三极管等较高较大的元件的原则进行焊接安装;
3、焊接完成以后,剪去电路板后面多余元件引线,检查相关焊接点,确保没有虚焊的出现;
4、以修剪下来的结余的引脚线连接印刷电路板上有白线连接的点,进行焊接接通;
5、检查各个焊点,观察其形状,对于不符合规定形状的进行修整或者重新焊接;
6、完成焊接,接入电源进行检测,直至所有发光二极管能够按照顺序进行正常的运转后,收拾实验台,离开实验教室。
u 实习注意事项:
1) 注意集成块、三极管的插入位置,电阻阻值的识别。
2) 注意中断线的连接。
3) 整个电路焊接完成后才能插入集成块进行测试。
4) 焊接时应谨慎小心,此电路焊点多且密。
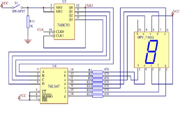
实习项目七 计数器电路安装
u 实习目的:
1) 了解计数器电路的工作原理。
2) 熟悉集成块74HC93(四位二进制计数器)、74LS47(BCD-7段译码器)的作用和特性。
3) 熟悉七段字符显示器(共阳极)的作用和特性。
u 实习元件:
u 实习原理:

图六、计数器电路图
1) 如图六所示,四位二进制计数器(74HC93)对由时钟电路产生的CLK 信号进行二分频和八分频输出。
2) BCD-7段译码器(74LS47)将74HC93输出的每四位二进制代码(一个BCD数)译成对应的7位高、低电平信号。
3) 7位高、低电平经过限流电阻后输出到七段字符显示器显示,显示结果如下:

u 实习过程:
1、了解实验原理图,明确各个元件的基本功能与连接方法;了解数码管的工作原理。
2、按照先安装电阻、复位按键、集成块插座等需贴板安装元件,后安装数码管等较高较大的元件的原则进行焊接安装;
3、焊接完成以后,剪去电路板后面多余元件引线,检查相关焊接点,确保没有虚焊的出现;
4、检查各个焊点,观察其形状,对于不符合规定形状的进行修整或者重新焊接;
5、完成焊接,接入电源进行检测,正常工作后,收拾实验台,离开实验教室。
u 实习注意事项:
1) 复位按键的插入位置,即两管脚对应电路板上的相应位置。
2) 集成块要插紧,保证集成块和插座之间接触良好。
3) 整个电路焊接完成后才能插入集成块进行测试。
4) 数码管显示数字0~15,注:从数字9以后用特殊符号显示。
实习总结:
通过该实习项目,我了解到了部分微电子元件的构造及相应的功能,特别是对于电阻这一常用的微电子元件,我基本上掌握了其组织的识别计算方法。另外,熟识了电烙铁的使用方法,了解了其基本构造原理和分类情况,此外,通过对电烙铁焊接的不断练习,基本掌握了焊接的基本手法,增加了一门小的技术,将为今后的学习工作生活提供一定的帮助。
该次实习让我第一次接触到了数码管和集成芯片的安装,其多引脚的焊接安装虽说在数量上比较多,但是由于比较齐整,焊接起来比较顺手并且效果也相对较好,但是对于集成块的针脚的调整却给我带来了不小的难度,既怕会不小心将其弯曲过度,又很不耐心的想一步到位,感觉很有压力,可是从中了也学到了很多。该次实习让我了解到了NE555集成芯片的工作特性,更加深刻的理解了时钟电路的工作原理,掌握了电解电容的安装和放置方法。通过不同的输入信号,经由集成芯片的控制后,可以实现发光二极管的不同切换输出。总体说来此次焊接已经达到了较为成熟的焊接技术,并且了解到了短路卡和短路子的功用及安装方法。
该实习项目第一次让我感受到了电路板焊接的技术难度所在。开始实习中因为对电烙铁的焊接方法和注意事项掌握较好,焊接过程中没出现差错,但也因锡丝熔得多出现焊接点成球状,这样的焊点不但不经济而且容易脱落,这是我的不足之处,在接下来的焊接过程中,因老师指出及时得到改正。
在每次动手焊接之前,老师都会对焊接元件的正确接法和注意事项给我们解说一遍,以便我们能正确快速焊接。我都认真听讲并作课堂笔记,将要点记下。这也是我能在焊接过程中正确操作的原因。
实习建议:(1)每次实习元件都是老师帮我们选好,只需要我们焊接上就行,这样不利于同学对元件的了解。应当在给我们上完课后,将元件的作用,样式,安装方法讲解后,让同学们自己来选本次项目需要的元件。(2)我们实习完成的电路板,没有任何用处,我们可以焊接有实际用途的电路板,做得好的也可以卖给厂方,这样就能节约资源,不造成浪费。
长沙理工大学实习评阅表
指导教师阅后评语
指导教师:
年 月 日
第二篇:电子电工实习报告1
厦门工学院实习报告
实习内容:一.安全用电与实习安全
二.常用电子元件概述及其辨识
三.常用工具及其使用方法
四.基本焊接工艺
五. 常用仪器仪表简介及其应用
六.电路板生产工艺流程与Protel软件应用
七.电子产品的安装与调试
班级: 09电气3班 学号 XXXXX姓名 XXXX
地点:厦门工学院实习基地
起止时间:2010 年10 月29日——11月7日
目 录
一、实验目的和任务 ……………………………………… 1
二、分析与设计 …………………………………………… 1
1、单稳态触发器概述………………………………… 1
2、电路分析…………………………………………… 2
3、设计方案论证……………………………………… 3
4、详细设计…………………………………………… 3
5、单稳触摸门铃……………………………………… 4
三、系统实施 ……………………………………………… 5
四、总结与体会 …………………………………………… 5
五、参考书目 ……………………………………………… 6
一、实验目的和任务
1、熟悉手工焊锡常用工具的使用方法。
2、基本掌握手工电烙铁的焊接技术,能够独立的完成简单电子厂品的安装与焊接。熟悉电子产品的安装工艺的流程。
3、能够根据电路原理图,元器件实物设计并制作小工艺品。
4、熟悉常用电子器件的类别、型号、规格、性能及其使用范围,能查阅有关的电子器件图书。
5、能够正确识别和选用常用的电子器件。了解电子厂品的焊接、调试与维修方法。
二、分析与设计
1、单稳态触发器概述
电路中只有一种稳定工作状态的触发器叫做单稳态触发器,其特点:在无外加触发信号作用时,电路处于一种稳定工作状态,
称为稳态;当输入端有外加触发脉冲信号的
上升沿或下降沿(由电路而定)作用时,输
出状态立即发生跳变。电路进入暂时稳态状
态,称为暂稳态。经过一段时间电路自动恢
复原先的稳态。其暂稳态时间与电路阈值电
压及外接R、C 参数有关。按电路结构,单
稳态触发器可分为微分型和积分型两种。前
者适用于窄脉冲触发,后者适用于宽脉冲触
发。无论哪种电路结构,其单稳态的产生都
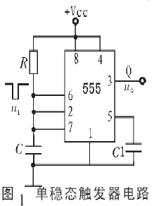
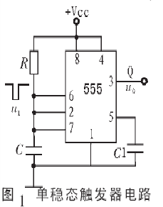
源于电容的充放电原理。图1 为用555定时器

- 1 -
组成的单稳态触发器电路。
2、电路分析
原理:
555 定时器组成的单稳态触发器,
图2 为其波形图。图中, t0~t1为稳态,
t1~t3为暂稳态,t3时刻恢复稳态。
由上述可知,555 定时器组成的
单稳态电路由输入脉冲信号的下降沿
触发,使其输出状态产生翻转,另外,
在暂稳态过程结束前, u1必须恢复
为1,否则电路内的RS 触发器为不确
定状态,输出不能维持0 状态。因此
这种单稳态电路只能用负窄脉冲触发。
如果输入脉宽大于输出脉宽,则输入
端可加RC 微分电路,使输入脉宽变窄。
555组成的单稳电路
右图是由555定时电路构成的单稳态
电路。

它的工作特点:电路只有一个稳
- 2 -
定状态,www .ddd Tt. com当外界触发脉冲来后,电路从稳态翻转到暂态,并在暂态停留一段时间之后又返回稳
态,,而且在输出端产生一个宽度为TW的矩形脉冲。改变电阻R或改变电容C或改变控制电压端的接法(改变控制电压端(引脚1、5)的电压值)都可改变输出脉冲的宽度(即延迟时间)
它的应用:
在数字系统中,单稳态电路常用于整形。即:把不规则的波形转换成宽度、幅度相同dddTt.com的波形。
任务分析:
(1)根据任务查阅相关资料,提前弄清电路图排版及元器件的布局,提出具体设计方案;
(2)验证方案可行,根据设计的原理电路领取元件;
(3)按照指导教师指定的时间在硬件实验室搭建电路,并调试通过;
(4)设计结束进行总结,按照统一格式撰写实习报告;
(5)指导教师对硬件电路进行检查或调试,对实习报告进行审阅。
3、设计方案论证
设计的门铃接上电源,按下开关发出响声;
能够发出音乐。
4、详细设计
(1)查阅相关资料,了解基本元器件的功能及应用,弄清555计时器各
- 3 -
个引脚的功能
(2)整理好元件,并根据电路图对照一一检测元件
(3)在实验室进行焊接技术练习,能够熟练较好的进行焊接
(4)自己重新设计电路图。设计要求:元器件尽量布局合理简单,排线要求整齐漂亮
(5)根据自己设计的电路图进行元器件排版,并焊接好。最后进行引线输出
(6)检测:将设计的门铃接入电源进行检测,看其是否能正常工作,是否有响声,是否能发出声音
(7)改进:根据检测结果进行改进。改进措施:接线是否有误、元件是否位置接错、是否有未接好的线路、焊接时是否有短路、元件损坏。并进行修正与改进
5、单稳触摸门铃
利用555电路组成单稳态电路,当触发后555输出高电位,作为触发音乐片的触发信号。
安装注意事项:
(1)本电路的电源为4.5V,高了低了都不好,偏低会使555工作困难,偏高则会使音乐片发热严重;
(2)安装音乐片KD9300时,要先在音乐片上焊接4根短导线,再将导线从PCB有相应标记的孔位中插入焊好;
(3)标有C2的两个小孔用导线短
路;
(4)NE555不是直接焊在PCB上,而
是先把8脚IC插座焊在PCB上,最后再把
NE555插在插座上,

焊时注意缺口记号的
- 4 -
方向;
(5)全部元件装好后,接上4.5V的电源,把音乐片的1、2脚用金属镊子短路一下,应能演奏一首乐曲。然后再用镊子碰触触摸片(也就是555的第2脚),这时音乐片也能演奏一首乐曲。
三、系统实施
1、焊点不够好,焊接不上。自己联系不够,方法没有很好掌握,电烙铁尖热度不够
2、没有很好弄清元器件功能。如二极管导通方向,滑动变阻器接线
3、没有声音。线路没有完全连接好,有线路连接错误
4、有声音但只是单音。555计时器8、4线方向接反
四、总结与体会
通过两个星期的电子工艺实习,我真正学到了很多东西。
对电子元件有了一定的认识,基本了解电路元器件及应用,能够用其进行电路设计。
了解了门铃的基本知识,通过具体的电路图,掌握了简单电路元器件装配,对故障的诊断和排除。
熟悉了电子装焊工艺的基本知识和原理,掌握焊接技术并装焊一个正确的门铃的技术。
了解安全用电知识,学习安全操作要领,培养严谨的工作作风,养好良好的工作习惯,培养正确的劳动观与人生观,也培养团队集体精神。
电子工艺实习,培养我们的实践能力和创新精神。加强了我的动手能力,我对问题的分析能力,以及发现并解决问题的能力。
我觉得心态问题是很重要的,有好的心态就会努力,做事效果也是事半功倍。还要有扎实的理论知识,在操作时知道自己的目的,使学到的理论只是得到验证。
- 5 -
在练习焊接时,一开始是一头雾水,总焊不好,我不断到同学那里观看,并向他们请教。焊接技艺一步步提高,自己最后焊接的产品效果也很令人满意。从中我体味到了要不断动手,不断向他人学习,这样才能不断提高自己,在挫折中不断磨练自己,坚持就是胜利。
改进与展望:
可接入一定电路器件,使电路具有音乐功能,其可应用于更多场合,更具有应用价值。也可以用两个555定时器制成救护车报警器,应用于紧急场合。
五、参考书目
阎石 《数字电子技术基础》 高等教育出版社 20xx年12月 郑君里 《信号与系统》 高等教育出版社 20xx年12月
- 6 -